一、概述
跌落式熔斷器及拉負荷跌落式熔斷器是戶外高壓保護電器。它裝置在配電變壓器高壓側或配電線支干線路上、用作變壓器和線路的短路、過載保護及分、合負荷電流。跌落式熔斷器由絕緣支架和熔絲管二部分組成,靜觸頭安裝在絕緣支架兩端,動觸頭安裝在熔絲管兩端,熔絲管由內層的消弧管和外層的酚醛紙管或環氧玻璃布管組成。拉負荷跌落式熔斷器增強彈性輔助觸頭及滅弧罩,用以分,合負荷電流。
跌落式熔斷器在正常運行時,熔絲管借助熔絲張緊后形成閉合位置。當系統發生故障時,故障電流時熔絲迅速熔斷,并形成電弧,消弧管受電弧灼熱,分解出大量的氣體,使館內形成很高壓力,并沿管道形成縱吹,電弧被迅速拉長而熄滅。熔絲熔斷后,下部動觸頭失去張力二下翻,鎖緊機械,釋放熔絲管,熔絲管跌落,形成明顯的開斷位置。當需要拉負荷時,用絕緣桿拉開動觸頭,此時主動、靜動觸頭仍然接觸,繼續用絕緣桿拉動觸頭,輔助觸頭也分離,在輔助觸頭之間產生電弧,電弧在滅罩狹縫中被拉長,同時滅弧罩產生氣體,在電流過零時,將電弧熄滅。
二、用途
戶外高壓熔斷器適用于35kv及以下電壓頻率50Hz電力系統中,作輸電線路、電力變壓器過載和短路保護,分合額定負荷電流只用,機械壽命≥2000次。
三、使用條件
1.適用于環境溫度上限40℃,下限-30℃之內。
2.海拔不超過1000m,風速不大于35m/s
3.熔斷器不適用于下述場所
3.1有燃料或爆|炸危險的場所。
3.2有劇烈震動或沖擊的場所。
3.3有異電化學氣體作用及嚴重空氣污穢,煙霧地區。
四、結構簡介
熔斷器是由基座和消弧裝置兩大部分組成,滅弧管下端裝有可能轉動的彈簧支架,始終使熔絲處于緊張狀態,以保證滅弧管在合閘位置的自鎖,線路與變壓器過載或短路中,熔絲熔斷,熔絲迅速從滅弧管中抽出,滅弧管設計為逐級排氣式解決在同一熔斷器上開斷大小電流的矛盾。
五、型號說明

六、主要技術參數

型號
額定電壓kv
額定電流A
斷流容量MVA
工頻干耐受電壓kvrms 1 min
工頻濕耐受電壓kvrms 1 min
上限
下限
HRW3-10/100
10
100
100
10
42
34
HRW3-10/200
10
200
200
20
42
34
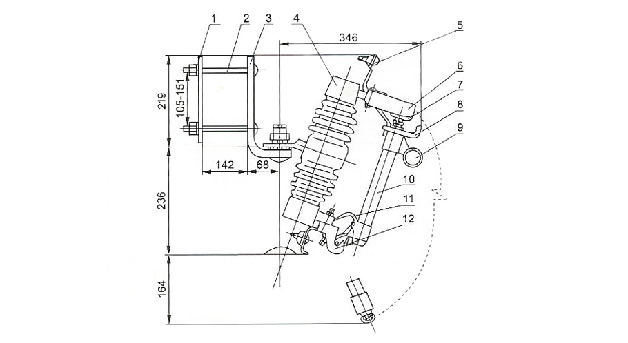
七、安裝尺寸

編號No.
部件名稱
編號No.
部件名稱
1
背板
7
上觸頭
2
長螺桿
8
附屬鉤
3
安裝支架
9
操作環
4
瓷件(或陶瓷絕緣子)
10
熔絲管
5
接線座
11
套環接頭
6
上支座
12
下支座
推薦資訊 / Recommended News
- 2022-08-24 持久淺談真空斷路器的理倫
- 2022-08-24 持久淺淡真空斷路器
- 2022-08-24 智能真空斷路器的技術問題解答
- 2022-08-24 ZW32真空斷路器核心作用
- 2022-08-24 真空斷路器比較難處理的問題
- 2022-08-24 高壓真空斷路器的維護安裝
- 2022-07-23 真空斷路器壽命是哪些因素影響的
- 2022-07-23 真空斷路器跳閘次數多有沒有影響
- 2022-07-23 真空斷路器試驗過程中的事項
- 2022-07-23 真空斷路器原則和功能的研究范圍
樂清市持久電氣有限公司
收藏本站
聯系持久







